有問題嗎?
匡信技術顧問為您服務!
電話:0512-57772351
郵箱:marto@marto.cc
油缸種類 | 空白:基本型 | D:雙軸型 | E:可調行程型 | Q:徑向型 | F:油路板型 | FC:前端進油 | RC:后端進油 |
油缸內徑(mm) | φ20,φ25,φ32,φ40,φ50,φ63,φ80,φ100,φ125 | ||||||
油缸行程(mm) | 5,10,15,20,25,30,35,40,45,50,.....,80 | ||||||
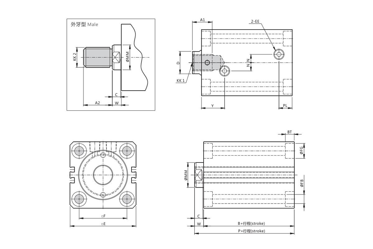
軸牙型式 | 空白:內牙,E:外牙 | ||||||
安裝方式 | 空白:基本型 ,AJ:可調型+數值 | ||||||
油封材質 | 空白:NBR/TPU J1 : FPM(耐高溫200°c) J2∶其他 | ||||||
感應器 | 空白:無感應器 S1:1顆線長2米 S2:2顆線長2米 | ||||||
![]()
備注:我們是生產廠家,尺寸可根據要求定制更改
內徑記號 | 內牙 | 外牙 | MM | W | E | F | EE | B | P | Y | PL | BT | FB | FG | N | C | D | ||
A1 | KK1 | A2 | KK2 | ||||||||||||||||
32 | 15 | M12×1.75 | 25 | M16×1.5 | 20 | 10 | 62 | 47 | PT1/4 | 74 | 84 | 28 | 17 | 7 | 7 | 11 | 10 | 8 | 17 |
40 | 20 | M16×2.0 | 30 | M20×1.5 | 25 | 10 | 70 | 52 | PT1/4 | 71 | 81 | 28 | 16 | 9 | 9 | 14 | 10 | 8 | 22 |
50 | 24 | M20×2.5 | 35 | M24×1.5 | 30 | 11 | 80 | 58 | PT1/4 | 76 | 87 | 29.5 | 16 | 11 | 11 | 18 | 10 | 8 | 27 |
63 | 33 | M27×3.0 | 45 | M30×1.5 | 35 | 13 | 94 | 69 | PT1/4 | 85 | 98 | 31 | 18 | 13 | 14 | 20 | 10 | 10 | 32 |
80 | 33 | M30×3.5 | 55 | M36×1.5 | 45 | 17 | 114 | 86 | PT3/8 | 96 | 113 | 35 | 22 | 15 | 16 | 23 | 15 | 14 | 41 |
100 | 40 | M36×4.0 | 70 | M48×1.5 | 56 | 17 | 134 | 102 | PT3/8 | 101 | 118 | 39 | 25 | 18 | 18 | 26 | 15 | 14 | 50 |
上一個:MPJ系列薄型油壓缸
下一個:雙向薄型油缸
